欢迎光临公司官方网站!~

SLW系列三叶罗茨鼓风机

  • 产品名称: SLW系列三叶罗茨鼓风机
  • 产品分类: 罗茨鼓风机
  • 分 享:
产品详情

SLW型风机简介

    SLW型三叶螺旋罗茨风机是在长年制造销售环保风机的基础上采用新技术开发的新产品。

  本机通过在叶轮上采用新型线,使总绝热效率和容积效率进一步提高,是风量和压力特性特别优良的风机。

  所谓效率优良,就是风机自身的发热量相对减少即温度上升值下降,各种机型在干燥状态下使用的排风压力力可达0.6kfg/平方厘米 。

SLW风机的特点

1.螺旋形状是20℃以上的固定螺旋方式。机壳的进排风屏蔽线切入螺旋,以转子顶端光面线构成的三角形进排风口,通过转子的旋转而循序打开。本风机的进排风口,不象旧式罗茨螺旋风机那样在瞬间打开或关闭,所以运转声音极小,几乎没有排风脉动。
2.因为转子是三叶直线形,所以它不象螺旋式转子那样,因轴向微小的变位而使转子相互接触。因此,只在剖面上保证转子间的间隙即可,不需要象转子螺旋式那样再加上轴向变位,以致间隙过大这种风机的效率比相同尺寸的转子螺旋式风机好得多。
3.因转子采取特殊外形,便于保持转子间的相互间隙,使效率进一步提高。
4.因使用精密数控机床批量生产转子,并对精度管理采取了完善的措施,所以,各台风机之间完全没有性能误差。另外,转于在制造过程经过严格的平衡,所以,本机振动极小。
5.采用高精度驱动齿轮,不仅使寿命得到延长,而且实现了低噪音化。
6.输出空气清洁,不含任何油质。机壳内部不须油类润滑,且采用了避免轴承、齿轮、油类混入机壳内部的结构设计。
7.随全厂品质管理,生产管理体制的确立,实现了部件相互交流,低生产成本,短期交货的目标该风机一般情况下,有适量的库存,可以实现当即供货。

工作原理


    SLW系列环保节能鼓风机,克服了原来旧的罗茨鼓风机所存在的弊端,旧的两叶型、三叶型,其压缩原理是转子顶端向排风口一线打开的瞬间,排风口高压空气逆流与机壳之内,进行压缩,这种逆流与压缩产生剧烈的压力立变化,这种压力变化形成了风机的噪音原因。本风机为了消除这种因素而研究了螺旋形状,从而达到环保节能的效果。

 

性能的说明


性能表示出了风机型号、口径、转速、排风压力、风量和所需要动力的关系
1.性能所表示风量是标准进风状态下的风量,所谓标准状态,就是温度20℃,绝对压力10332Kgf/cm2[101.3Kpa]相等湿度65%。
2.基准状态(温度0℃,绝对压力10332Kgf/cm2[101.3Kpa])的风量。一般以Nm3/mln表示,在进风压力相同的情况下,可用下式换成标准状态的风量。
Qs=Qpxl.0732
Qs标准状态风量(m3/mln)Qn基准状态风量(m3/min)。
3.可用下式把排风状态风量换算成标准状态风量。


Qd:排风状态风量(m3/mi n)
Pd:排风压力(Kpf/cm2)
ts:进风温度(℃)
td:排风温度(℃)
4.以上述结果求出风量的排风压力,由此再根据性能表求出风机型号、口径、转速、和所需动力。
5.性能表以不同的颜色示出了不同电机输出功率.请用户使用相应功率的电机。
6.有些风机的型号其选定范围是重复的。从经济的角度,应选用小型风机;从噪音的角度应选用大型风机。

型号规格说明

1.每种型号都有性能表和标准规格,易于选择风机型号。
2.包括附件在内,风机主体实行标准化。有完善的批量生产体制,能够随时满足您的要求。
3.因为有良好的螺旋结构,又使用同风机匹配的消声器,风机的运转噪音比过去低的多。
4.转于是经过全面加工精密产品,加工制作时,已经过严格的动平衡,几乎没有振动。
5.采用小型设计,安装面积小。

SLW型主要规格

风机口径:50—200mm
风量:0.78—59.2m3/min
升压:0.1—6kgf/cm2
电机功率:0.75—90Kw

标准附属品

通用底座
皮带罩
风机皮带轮、电机皮带轮、V型皮带
吸入消声器
排出消声器
压力表
润滑油
地角螺栓

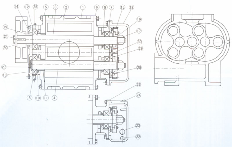
SLW型结构图

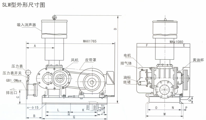
SLW型外形尺寸图

 

SLW型外形尺寸表

SI单位换算表

SLW型性能表


 

点击次数:0   更新时间:2017-03-10    【打印此页】   【关闭

山东同汇机械有限公司
地 址:山东省淄博市博山区颜北路131号
电 话:0533-4231111 4183648
传 真:0533-4183783
邮 编:255200